
概述
免费观看已满十八岁电视剧动漫版武汉华液瓮生产的UB系列齿轮齿条摆动油缸安装方式有法兰和脚架;输出形式有轴和孔;结构型式有甲齿条和双齿条。共组成八个系列十种型号。额定压力:16Ma;工作温度:-50℃-230℃;介质:矿物油、水乙二醇、乳化液、磷酸酯。可为用户提供:a摆动角度:1°-720°范围内任意选择;B.输出形式:两端轴输出,两端孔输岀(通轴),一端轴、一端孔输出;C.标准产品的改型,非标产品的设计、制造等。
型号说明

技术参数

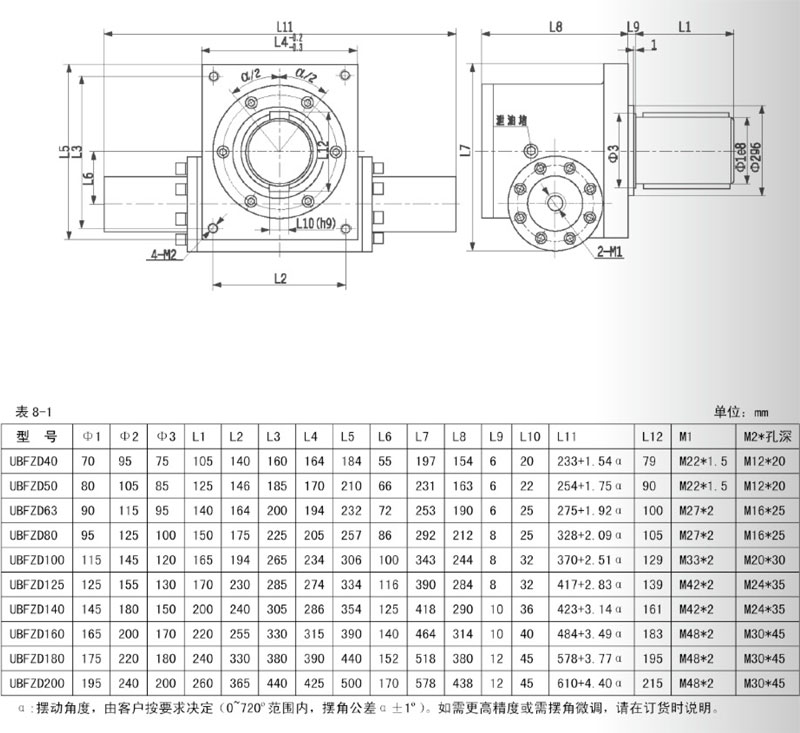
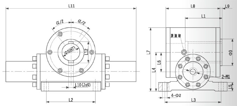
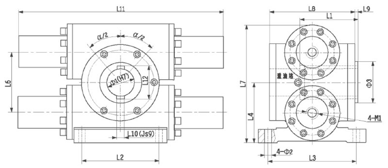
外形安装连接尺寸
UBFZD法兰式轴输出单齿条摆动油缸

UBFZS法兰式轴输出双齿条摆动油缸

UBFKD法兰式孔输出单齿条摆动油

UBFKS法兰式孔输出双齿条摆动油缸


UBJZD脚架式轴输出单齿条摆动油缸

UBJZS脚架式轴输岀双齿条摆动油缸

UBJKD脚架式孔输出单齿条摆动油缸


UBJKS脚架式孔输出双齿条摆动油缸
